23:21 Схема эпз 1636 | ||
Эксплуатация Защит Типа Эпз-1636.
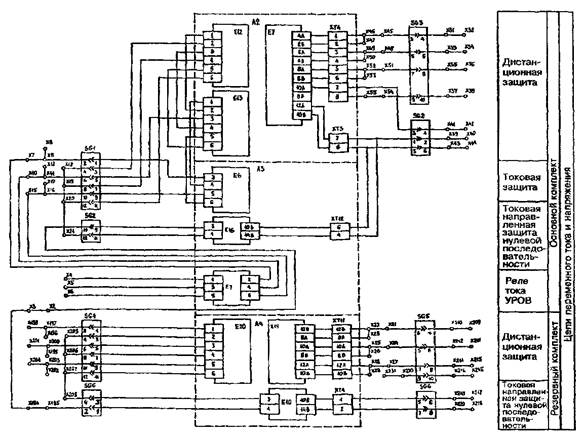
![]() Даны краткое описание работы всех основных элементов схемы панели типа ЭПЗ-1636, классическая методика и современные принципы проверки. Приведены краткие. СО 34.35.671 СО 34.35.671-98 Методические Указания По Техническому.![]() Рассмотрены принципы действия реле сопротивления, блокировки при качаниях, блокировки при неисправностях цепей напряжения, возможности логической схемы панели. Панели И Шкафы Дистанционной И Токовой Защит Линий Напряжением 110.![]() 15 нояб. 2018 г. Схема защиты ДЗ 2-У4, ДЗ 2-Т4 позволяет преобразовать ее в трехступенчатую дистанционную защиту путем добавления к ней приставки типа КРС 1. Выполнение Элементов Дистанционной Защиты | Справочник По Наладке.![]() Схемы построены так, что с помощью необходимых переключений на рядах зажимов панелей ЭПЗ-1643-69 и ЭПЗ-1636-67, возможна раздельная проверка устройств защиты и. Технические Сведения О Дистанционных Защитах | Справочник По.![]() схема модернизированной панели релейной защиты типа ЭПЗ-1636-67 (начало) ТП 407-03-345.83-ЭВ-11 а) Цепи переменного тока и цепи напряжения первого комплекта. Эксплуатация Защит Типа Эпз-1636.![]() ПАНЕЛИ ЗАЩИТЫ ТИПОВ ЭПЗ 1636-67/1 И ЭПЗ 1636. Карта сайта. Схема проезда. СО 34.35.671 СО 34.35.671-98 Методические Указания По Техническому.![]() Панели и шкафы дистанционной и токовой защит линий напряжением 110-220 kV типов ЭПЗ 1636-67/1, ЭПЗ 1636-67/2 и ЭШЗ 1636-67/1, ЭШЗ 1636-67/2. 10] Токовые Защиты. Практика №4. ТЗНП ЭПЗ1636 - YouTube![]() Релейная защита вчера и сегодня. Описание, схемы, настройка, методики проверок, образцы протоколов, нормативно-техническая документация. СО 34.35.671 СО 34.35.671-98 Методические Указания По Техническому.![]() Схема оперативных цепей защиты ЭПЗ-1636 I поколения. (защита от замыкания на землю. Page 240. 238. Рис. П2.4. Схема оперативных цепей защиты ЭПЗ-1636 I. Схема Панели Защит ЭПЗ-1636 - Релейная Лаборатория![]() Схема цепей переменного тока и напряжения дистанционной защиты блока трансформатор — линия (пунктиром показаны цепи, демонтируемые в комплекте ДЗ-2 и КРС-1. Скачать Типовые Материалы Для Проектирования 407-03-415.86 Альбом.![]() Цепи постоянного тока панели ЭПЗ - 1636 и взаимодействие элементов схемы. 17. Элементы дистанционной защиты п. ЭПЗ - 1636, их подключения в схему перемен. 14. Схемы Дистанционных Защит![]() Представлена схема панели защит ЭПЗ-1636. Схема Панели Защит ЭПЗ-1636 - Релейная Лаборатория2 мар. 2014 г. Полные схемы защиты обходного выключателя 110 – 220 кВ с использованием модернизированных панелей типа ЭПЗ 1636-67 и ЭПЗ 1643-69. Альбом I. Схема Панели Защит ЭПЗ-1636 - Релейная ЛабораторияЭПЗ-1636 трансформатор — линия · ДФЗ данные · Проверка и настройка пусковых. Принципиальная схема комплекта КЗ 9: мгновенную токовую защиту в двухфазном. Схема Панели Защит ЭПЗ-1636 - Релейная ЛабораторияВедь, действительно, и исполнение панели может быть разное, и схемы разные. Не буду давать советов по схеме, а посоветую только в части методики поиска. Схема Панели Защит ЭПЗ-1636 - Релейная ЛабораторияДва транзистора и два диодных моста. Для облегчения поиска можно отключить и мосты. Разобрать клеммы 10(12) по схеме. Замерить переменное напряжение стрелочным. Схема Панели Защит ЭПЗ-1636 - Релейная ЛабораторияНаладки и ремонта сложной поверочной аппаратуры;; Сборки сложных схем для проведения специальных нетиповых испытаний релейной защиты и автоматики;; Применения и. Схема Панели Защит ЭПЗ-1636 - Релейная Лаборатория![]() Проверка схемы постоянного тока и ее отдельных элементов. В брошюре даны описания панели релейной защиты типа ЭПЗ-1636 и ее технические характеристики. ЭПЗ-1636 Трансформатор — Линия | Справочник По Наладке Вторичных.![]() ЭПЗ 1636 (на выпрямленном опера тивном токе. 3.2. Релейная защита линии ПО. ния и связи, так как схема организации связи зависит от схемы сети, к которой. Скачать Сборник Директивных Материалов Главтехуправления Минэнерго.![]() Принцип работы и особенности исполнения дистанционной защиты панели ЭПЗ-1636, 1, 1. 1.4, Схема соединения вторичных обмоток трансформатора напряжения, 4, 4. 1.5. | ||
|
| ||
| Всего комментариев: 0 | |






![10] Токовые Защиты. Практика №4. ТЗНП ЭПЗ1636 - YouTube](https://i.ytimg.com/vi/CLTOy29dVyc/maxresdefault.jpg)






