23:35 Тда 7265 схема | ||
DEP3015 Audio Power Amp TDA7265, TDA7269, TDA7292 - Share Project.
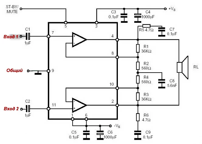
![]() Защита от короткого замыкания (Short Circuit Guard);; Защита от перегрева (Thermal Guard. Схема включения: TDA7265 diagram. Пример реализации схемы можно найти. Усилитель Мощности Звуковой Частоты На TDA7265 - Аудио/Видео.![]() 14 дек. 2022 г. УНЧ на TDA 7265. Проблема: постоянно греется радиатор градусов до 50-65. Узучив принцип работы TDA 7265, получаем, допустим что питание. Ремонт Усилителя Microlab Своими Руками - Замена TDA 7265 - YouTube![]() 30 июн. 2020 г. tda7265-tda7269-tda7292.html#comment. DEP3015 Audio Power Amp TDA7265, TDA7269, TDA7292 ↑ Принципиальная схема усилителяТестовая схема. Усилитель 2x25 Вт На TDA7265![]() 22 авг. 2014 г. Печатная плата усилителя TDA7265 в режиме мост. Усилитель на TDA7265 2x25Вт. Скачать [1,34 Mb] (cкачиваний: 4226) схему усилителя TDA7265 и. Усилитель 2x25 Вт На TDA7265![]() 9 дек. 2010 г. схема №1. Это мостовая схемка, Mute мне нафиг не нужен.комментарии и. TDA 7265 и у меня возникли вопросы 1. Я не нашол резистор на 36кОм. Tda7265 Усилитель - Купить Недорого | AliExpress![]() г. Подскажите пожалуйста, будет ли работать эта схема? iinoiaay-noaia.jpg. Feliks1968 вне форума. Старый 23.05.2013. УНЧ На Микросхемах » Страница 9 » Проекты Для Радиолюбителей KOMITART![]() (Одноплатный усилитель низкой частоты на TDA7265 с двухполярным питанием; изображение с AliExpress. Типовая схема усилителя на TDA7265. Теперь посмотрим на. Усилитель На TDA7265 2x25Вт![]() 26 дек. 2004 г. Re: Кто нибудь общался с TDA7265. TDA 7265 - очень простая схема,требует только хорошего питания и разводки,как многое другое. Моща по 25 Вт. Усилитель 2x25 Вт На TDA7265![]() 29 янв. 2021 г. Для усиления мощности сигнала используется двухканальный усилитель звуковой частоты TDA 7265 от STM включенный по мостовой схеме. Микросхема. Схема Включения TDA7265![]() 3 нояб. 2019 г. я начинающий)) хочу повторить схему на микросхеме tda7265 и не совсем понял с двуполярным питанием, микросхема требует 25 Вольт. Эти 25. BTL Power Amplifier Circuit Using IC TDA7265 | Power Amplifiers.![]() г. TDA7265 — стерео усилитель класса АВ в корпусе Multiwatt, применяемый в высококачественных Hi-Fi музыкальных центрах и телевизорах. Схема. Электроника: Tda 7265 Схема Усилителя - Купить По Выгодной Цене В.![]() УМЗЧ на TDA7265 25*Вт или мостовая схема 50Вт (моно. 2014-11-08 19:09:49. Артем Борунов > Здравствуйте я разобрал старый домашний кинотеатр и там есть плата с усилителем на микросхемах тда 7265 из 4х шт. Что посоветуете собрать из них лучше стерео. DEP3015 Audio Power Amp TDA7265, TDA7269, TDA7292 - Share Project.![]() Характеристики TDA7265. Согласно характеристикам, TDA7265 представляет собой мощный стереоусилитель класса AB (2 канала по 25 Вт ±20В, 8 Ом. Он разработан. Усилитель Звука St Tda7265 Zip-11 - Купить Недорого | AliExpress![]() 7 дек. 2020 г. Можно и больше. ВОТ СПИСОК : TDA 2005. TDA 2050. TDA 7265. TDA 7293. TDA 7294. TDA 7297. TDA 7377. TDA 7850. TPA 3116. TPA 3118. LM 3886. TA. Радиосхемы. - Генератор Периодических Импульсов В 2023 Г.![]() 19 авг. 2016 г. Схема, замеры с выводов и, желательно, фото изделия. В 19.08.2016 в 12:14, finn32 сказал: В руках. Там НЕЧЕМУ не работать, пять деталек. Балансный Вход У TDA 7265. Возможно Ли? - Технический Форум![]() Простая схема включения и высокие технические параметры сделали микросхему TDA7265 очень сбалансированным и популярным решением при построении. M.Rcl-Radio.Ru - УМЗЧ На TDA7265 25*Вт Или Мостовая Схема 50Вт.![]() интегральная схема ZIP-11 TDA7265. TDA7265 TDA 7265. TDA7265 7265 Multiwatt11 Аудио Усилитель 25 + 25 Вт Чип IC.![]() Простая схема включения и высокие технические параметры сделали микросхему TDA7265 очень сбалансированным и популярным решением при построении. Активные Стереоколонки K-3 C2149![]() 27 мар. 2017 г. Информация по микросхеме: TDA7265 - схема включения, характеристики, даташит. Создали специальную тему, поскольку с подобной проблемой уже. Интегральная Схема TDA7265 TDA7265B ZIP-11, 2 Шт. | AliExpress![]() Аппарат LG LM-M1401x усилитель tda 7265 заменил унч, включил и опять вышел из строя, питание в норме. Подскажите где копать? #67 root Декабрь 26 2014. +1. | ||
|
| ||
| Всего комментариев: 0 | |


















